MPW52 Wheel Drive
MobilePower™
Summary Details
Size: 52mm brushless DC gear motor, 150mm wheelPeak Torque: 12.4 Nm (109.75 lb.in)
Maximum Load: 68 Kg (150 lbs.) per wheel
Rated Speed: 2.4 meters/second






Complete Motion Solution

For a complete motion solution, the MPW52 is compatible with ElectroCraft's Universal and PRO Series drives.
Introducing ElectroCraft's new MobilePower™ MPW52 wheel drive, featuring a high torque-density brushless DC motor with integrated single-stage planetary gearbox and wheel assembly.
ElectroCraft's MPW52 integrates a 14-pole Brushless DC motor with a heavy-duty, single-stage planetary gearbox mounted inside the hub of an aluminum wheel with polyurethane tread. Designed for mobile platform traction systems with optional encoder feedback to support positioning capability and electromagnetic brake to hold position when power is removed. The MPW52 combines optimum performance with high-efficiency, quiet operation and long life.
ElectroCraft MobilePower™ MPW series wheel drives feature an integrated design that provides increased performance and reliability at an affordable price compared to traditional motor/gearbox/wheel combinations. As with all ElectroCraft products, the MPW series wheel drives are customizable to meet specific application requirements.
Features:
- Smooth, efficient motion
- Compact, lightweight, durable and highly reliable integrated design
- Powerful starting torque:
- Peak torque up to 12.4 Nm
- Continuous torque up to 6.1 Nm
- Configurable or completely customizable designs
- Motor, gearbox, wheel, brake, encoder, cabling
- Typical applications:
- Automated Guided Vehicles
- Autonomous Mobile Robots

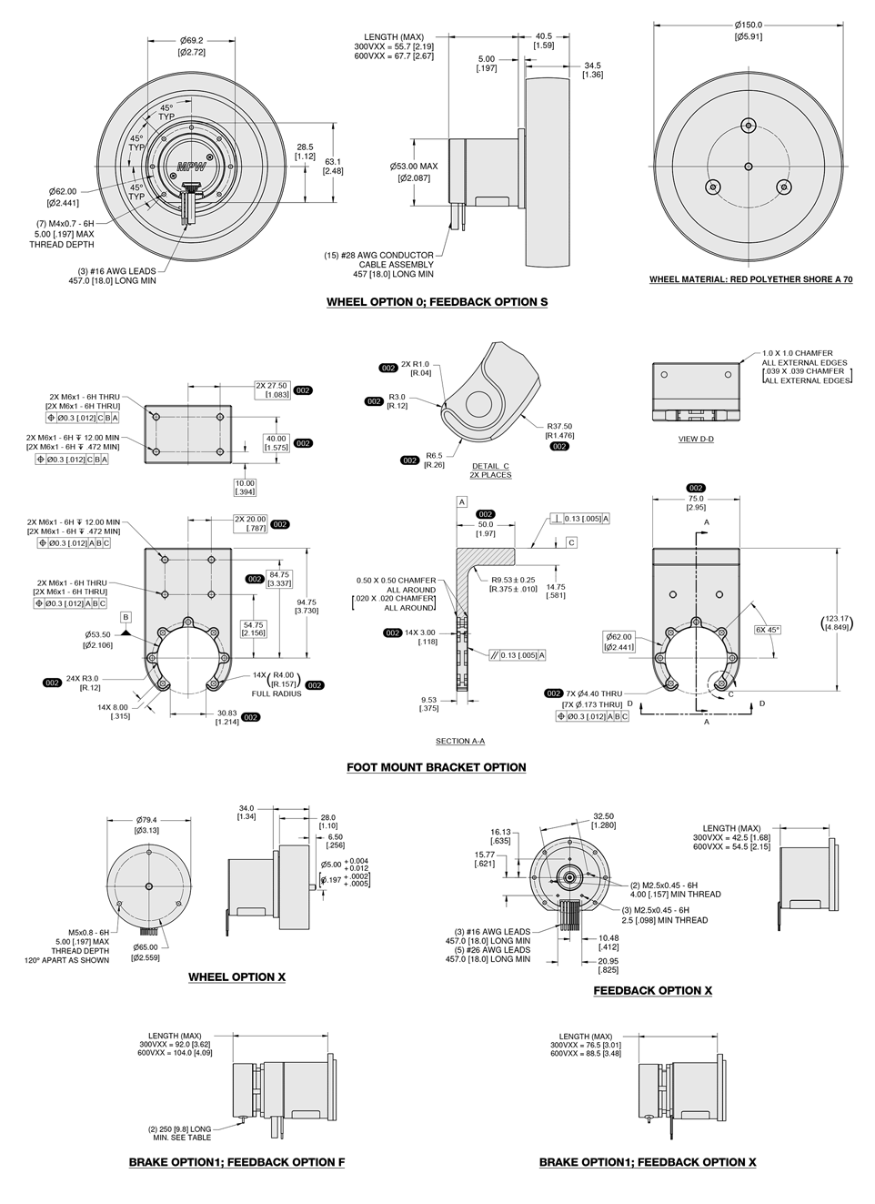
Additional Product Details
Outline Drawing
Specifications & Winding Data
| MPW52 Wheel Drive | Motor Stack Size & Winding Models | |||
|---|---|---|---|---|
| Specifications | MPW52-300V24 | MPW52-300V48 | MPW52-600V24 | MPW52-600V48 |
| Design Voltage (VDC) | 24 | 48 | 24 | 48 |
| Gear Ratio | 9.00:1 | |||
| Peak Torque (lb-in) | 60.2 | 109.75 | ||
| Peak Torque (Nm) | 6.8 | 12.4 | ||
| Peak Current (Amps) | 17.4 | 8.6 | 26.5 | 12.9 |
| Peak Power (Watts) | 80 | 170 | ||
| Continuous Stall Torque* (lb-in) | 30.1 | 54.0 | ||
| Continuous Stall Torque* (Nm) | 3.4 | 6.1 | ||
| Continuous Stall Current (Amps) | 6.4 | 3.4 | 11.4 | 5.6 |
| Continuous Torque at Rated Speed* (lb-in) | 23.0 | 39.8 | ||
| Continuous Torque at Rated Speed* (Nm) | 2.6 | 4.5 | ||
| Continuous Current at Rated Speed (Amps) | 5.0 | 2.5 | 8.4 | 4.2 |
| Continuous Power at Rated Speed (Watts) | 75 | 143 | ||
| Continuous Rated Wheel Speed (RPM) | 278 | 300 | ||
| Continuous Rated Wheel Speed (Meters/Sec) | 2.2 | 2.4 | ||
| Continuous Rated Wheel Speed (Feet/Sec) | 7.2 | 7.7 | ||
| Continuous Rated Wheel Speed (KPH) | 7.9 | 8.5 | ||
| Continuous Rated Wheel Speed (MPH) | 4.9 | 5.3 | ||
| Standard Wheel Diameter (mm) | 150 | |||
| Wheel Type / Hardness | Aluminum Hub with PTMEG POLYETHER Shore A 70 (Red) | |||
| Maximum Axial Load (Kg) | 22.7 | |||
| Maximum Axial Load (lbs) | 50 | |||
| Maximum Radial Load (Kg) | 68.0 | |||
| Maximum Radial Load (lbs) | 150 | |||
| Peak Acceleration at Full Radial Load (m/s²) | 2.7 | 5.0 | ||
| Peak Efficiency (%) | 75.0 | 80.0 | ||
| Backlash (degrees) | <1 deg | |||
| Service Life (hours) | 20,000 | |||
| Gear Motor Voltage Constant (V / kRPM) | 98.4 | 196.9 | 103.6 | 207.2 |
| Gear Motor Torque Constant (oz-in / Amp) | 72.9 | 145.8 | 76.8 | 153.5 |
| Gear Motor Torque Constant (Nm / Amp) | 0.51 | 1.03 | 0.54 | 1.08 |
| Motor Winding Resistance (Ohms) | 0.74 | 2.66 | 0.28 | 1.16 |
| Motor Winding Inductance (mH) | 0.70 | 2.80 | 0.33 | 1.32 |
| Motor Constant (oz-in / √ Watt) | 9.4 | 9.9 | 16.1 | 16.1 |
| Motor Constant (mNm / √ Watt) | 66.3 | 70.2 | 113.6 | 113.6 |
| Motor Electrical Constant (msec) | 0.9 | 1.1 | 1.2 | 1.1 |
| Motor Mechanical Constant (msec) | 1.70 | 1.11 | ||
| Motor Thermal Time Constant (sec) | 1,200.0 | 1,240.0 | ||
| Motor Rotor inertia (oz-in²) | 0.3390 | 0.5631 | ||
| Motor Rotor inertia (g-cm²) | 62.0 | 103.0 | ||
| Motor Thermal Resistance (C / Watt) | 2.79 | 2.32 | ||
| Number of Motor Poles | 14.0 | |||
| Total Weight - no wheel (lb) | 2.8 | 3.1 | ||
| Total Weight - no wheel (Kg) | 1.25 | 1.41 | ||
| Total Length - w/out encoder & brake (inch) | 3.3 | 3.7 | ||
| Total Length - w/out encoder & brake (mm) | 83 | 95 | ||
| Storage Temperature | -40C to 60C | |||
| Certifications | CE, RoHS | |||
Notes:
*Continuous rating based on a 25°C ambient temperature, winding temperature rise of 125°C. Mounted on a 150 X 150 X 6 mm aluminum heat sink.Speed / Torque Curves
Connection
ROTATION: CCW FACING LEAD END
| SENSOR OUTPUT | ||
|---|---|---|
| S1 | S2 | S3 |
| 0 | 0 | 1 |
| 0 | 1 | 1 |
| 0 | 1 | 0 |
| 1 | 1 | 0 |
| 1 | 0 | 0 |
| 1 | 0 | 1 |
| DRIVER OUTPUT | ||
|---|---|---|
| Ø A | Ø B | Ø C |
| X | HI | LOW |
| HI | X | LOW |
| HI | LOW | X |
| X | LOW | HI |
| LOW | X | HI |
| LOW | HI | X |

| HALL PINOUTS (5) #26 AWG LEAD | |
|---|---|
| COLOR | FUNCTION |
| ORG | +4.5-24 VDC |
| BLK | GROUND |
| YEL | S1 |
| GRY | S2 |
| GRN | S3 |
| BRAKE (2) #22 AWG | |
|---|---|
| COLOR | FUNCTION |
| BLACK | 24VDC |
| BLACK | GROUND |
* See drawing #113-0000061
| ENCODER PINOUTS (15) #28 AWG LEADS | |
|---|---|
| COLOR | FUNCTION |
| YELLOW | A |
| YEL/WHT | A- |
| BLUE | B |
| BLU/WHT | B- |
| ORANGE | INDEX |
| ORG/WHT | INDEX- |
| GREEN | S1 |
| GRN/WHT | S1- |
| BROWN | S2 |
| BRN/WHT | S2- |
| WHITE | S3 |
| GRY/WHT | S3- |
| RED | +5VDC |
| BLACK | GROUND |
| GRAY | NC |
CAD
Drive Compatibility
| Motor P/N | Cont Stall Current (ARMS) |
Peak Current (ARMS) |
Voltage | Drive Model | ||||
|---|---|---|---|---|---|---|---|---|
| Imperial | Metric | PRO (-CAN) | PRO (-CAT) | CPP-Universal | CPP-EZ | |||
| MPW52-300V24 | 6.4 | 17.4 | 24 | PRO-A20V80A | PRO-A20V80A | CPP-A12V80A | CPP-A12V48A | |
| MPW52-300V48 | 3.4 | 8.6 | 48 | PRO-A08V48B | PRO-A08V48B | CPP-A06V80A | CPP-A06V48A | |
| MPW52-600V24 | 11.4 | 26.5 | 24 | PRO-A20V80A | PRO-A20V80A | CPP-A24V80A | CPP-A24V48A | |
| MPW52-600V48 | 5.6 | 12.9 | 48 | PRO-A08V48B | PRO-A08V48B | CPP-A12V80A | CPP-A12V48A | |
ElectroCraft Rapid Delivery Program
Some versions of this product are available via ElectroCraft's Rapid Delivery Program. Lead times for these products are given in working days and stated below. Please note, these lead times may be exceeded during holiday periods or due to unforeseen circumstances. Always contact your local ElectroCraft representative for confirmation of availability.
Rapid delivery products are stocked in locations all over the World. If the product you require is not stocked in your region, you may request accelerated delivery from other areas. Please consult your local representative for more information.
Customers are responsible for all freight charges.
Rapid Delivery to:
Select the region where the product would be delivered to.
The Americas - View Cart
| Part Number | Description | Add to Cart |
|---|---|---|
| MPW52-600V24-0000-S009 | 52mm Brushless DC Gear Motor/Wheel Drive, 24VDC, 9:1 ratio, 12 Nm peak torque, 4 Nm continuous torque at 330RPM rated speed, 150mm wheel, 2048 line differential commutating optical encoder, no brake | Buy Now |
| MPW52-600V48-0000-S009 | 52mm Brushless DC Gear Motor/Wheel Drive, 48VDC, 9:1 ratio, 12 Nm peak torque, 4 Nm continuous torque at 330RPM rated speed, 150mm wheel, 2048 line differential commutating optical encoder, no brake | Buy Now |
| MPW52-600V24-1000-S009 | 52mm Brushless DC Gear Motor/Wheel Drive, 24VDC, 9:1 ratio, 12 Nm peak torque, 4 Nm continuous torque at 330RPM rated speed, 150mm wheel, 2048 line differential commutating optical encoder, with brake | Buy Now |
| MPW52-600V48-1000-S009 | 52mm Brushless DC Gear Motor/Wheel Drive, 48VDC, 9:1 ratio, 12 Nm peak torque, 4 Nm continuous torque at 330RPM rated speed, 150mm wheel, 2048 line differential commutating optical encoder, with brake | Buy Now |
Europe, the Middle East and Africa
| Part Number | Description | Typical Lead Time |
|---|---|---|
| MPW52-600V24-0000-S009 | 52mm Brushless DC Gear Motor/Wheel Drive, 24VDC, 9:1 ratio, 12 Nm peak torque, 4 Nm continuous torque at 330RPM rated speed, 150mm wheel, 2048 line differential commutating optical encoder, no brake | 2 days |
| MPW52-600V48-0000-S009 | 52mm Brushless DC Gear Motor/Wheel Drive, 48VDC, 9:1 ratio, 12 Nm peak torque, 4 Nm continuous torque at 330RPM rated speed, 150mm wheel, 2048 line differential commutating optical encoder, no brake | 2 days |
| MPW52-600V24-1000-S009 | 52mm Brushless DC Gear Motor/Wheel Drive, 24VDC, 9:1 ratio, 12 Nm peak torque, 4 Nm continuous torque at 330RPM rated speed, 150mm wheel, 2048 line differential commutating optical encoder, with brake | 2 days |
| MPW52-600V48-1000-S009 | 52mm Brushless DC Gear Motor/Wheel Drive, 48VDC, 9:1 ratio, 12 Nm peak torque, 4 Nm continuous torque at 330RPM rated speed, 150mm wheel, 2048 line differential commutating optical encoder, with brake | 2 days |
Asia
| Part Number | Description | Typical Lead Time |
|---|---|---|
| MPW52-600V24-0000-S009 | 52mm Brushless DC Gear Motor/Wheel Drive, 24VDC, 9:1 ratio, 12 Nm peak torque, 4 Nm continuous torque at 330RPM rated speed, 150mm wheel, 2048 line differential commutating optical encoder, no brake | 2 days |
| MPW52-600V48-0000-S009 | 52mm Brushless DC Gear Motor/Wheel Drive, 48VDC, 9:1 ratio, 12 Nm peak torque, 4 Nm continuous torque at 330RPM rated speed, 150mm wheel, 2048 line differential commutating optical encoder, no brake | 2 days |
| MPW52-600V24-1000-S009 | 52mm Brushless DC Gear Motor/Wheel Drive, 24VDC, 9:1 ratio, 12 Nm peak torque, 4 Nm continuous torque at 330RPM rated speed, 150mm wheel, 2048 line differential commutating optical encoder, with brake | 2 days |
| MPW52-600V48-1000-S009 | 52mm Brushless DC Gear Motor/Wheel Drive, 48VDC, 9:1 ratio, 12 Nm peak torque, 4 Nm continuous torque at 330RPM rated speed, 150mm wheel, 2048 line differential commutating optical encoder, with brake | 2 days |


















